6ES7972-0BA50-0XA0 SIEMENS profibus connector
Introduction to SIEMENS PB connector 6ES7972-0BA50-0XA0
SIMATIC DP,BUS CONNECTOR FOR PROFIBUS UP TO 12 MBIT/S 90 DEGREE ANGLE CABLE OUTLET, 15,8 X 72,2 X 36,4 MM (WXHXD), IPCD TECHOLOGY FAST CONNECT, WITHOUT PG SOCKET
Data sheet of SIEMENS PB connector 6ES7972-0BA50-0XA0
Drawings of PROFIBUS connectors 6ES7972-0BA50-0XA0
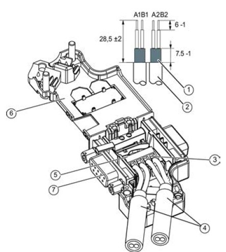
Structure of PB connector 6ES7972-0BA50-0XA0
Bus connection for the first and last node on the PROFIBUS.
The cable must always be connected on the left (see marking A1, B1)
Switch setting for the first and last node on the PROFIBUS: ”ON” (terminating resistor connected)
Bus connection for all other nodes on the PROFIBUS. The feed cable should always be connected on the left (A1, B1). The continuation cable should always be connected on the right (A2, B2).
Switch setting for all other nodes on the PROFIBUS: ”OFF” (terminating resistor disconnected)
Tip: When the switch is in the ”ON” position, the PROFIBUS to the other nodes is disconnected at this point (e.g. for services purposes).
USER'S manual PDF of PB connector 6ES7972-0BA50-0XA0
PROFIBUS connectors 6ES7972-0BA50-0XA0 90 DEGREE, without PG socket
Our company (Kollewin Technology CO., Limited) have a new product, named 6ES7 972-0BA50-0XA0.
It is 100% compatible with Siemens original part.
Part#: 6ES7 972-0BA50-0XA0
Description: PROFIBUS CONNECTOR
Manufacturer: Kollewin
PB CONNECTOR: 90 DEGREE, Without PG SOCKET
Approx. Weight: 0.06 Kg
Warranty: 1 year
Origin: China
It's tested before shippment.Not made by Siemens,OEM product as the replacement.
The quality is guaranteed, we have 1 year warranty for our compatible products.
Description of our PB connector 6ES7972-0BA50-0XA0, 90 DEGREE
| Product | |
| Article Number | 6ES7972-0BA50-0XA0 |
| Product Description |
DP ,90 DEGREE ,NO PROGRAMMING INTER,FAST CONNECT
|
|
Price p. item* *Recommended Retail Price |
Price On Request |
| Customer Price | Price On Request |
| Country of origin | CN |
| Export Control Regulations | AL: N / ECCN: N |
| Delivery Time | 3-5 Days |
| Net Weight (kg) | 0.049 Kg |
| Quantity Unit | Piece |
| Packaging Type | Piece |
| Packaging Quantity | 1 |
| Minimum order quantity | 1 |
More profibus connectors we can offer as follows:
6ES7972-0BA12-0XA0 EX-Work Price: $16.00 /pc
200pcs or more $11.00
300pcs or more $10.00
400pcs or more $9.00
500pcs or more $8.00
6ES7972-0BB12-0XA0 EX-Work Price: USD16.00 /pc
100pcs or more $12.00
200pcs or more $11.00
300pcs or more $10.00
400pcs or more $9.00
500pcs or more $8.00
Profibus Connector,without PG port,35 degree @USD16.00/pc
Profibus Connector,with PG port,35 degree @USD16.00/pc
100pcs or more $12.00
200pcs or more $11.00
300pcs or more $10.00
400pcs or more $9.00
500pcs or more $8.00
Profibus Connector,without PG port,35 degree @USD16.90/pc
Profibus Connector,with PG port,35 degree @USD16.90/pc
100pcs or more $12.00
200pcs or more $11.00
300pcs or more $10.00
400pcs or more $9.00
500pcs or more $8.50
DP ,90 DEGREE ,WITHOUT PG SOCKET,FAST CONNECT @USD21.00/pc
100pcs or more $18.00
200pcs or more $17.00
300pcs or more $16.00
400pcs or more $15.00
500pcs or more $14.00
DP ,90 DEGREE ,WITH PG SOCKET,FAST CONNECT @USD24.00/pc
100pcs or more $19.00
200pcs or more $18.00
300pcs or more $17.00
400pcs or more $16.00
500pcs or more $15.00
180 degree fast connector @USD23.00/pc
180, PB-PLUG WITH FASTCONNECT @USD24.00/pc
100pcs or more $19.00
200pcs or more $18.00
300pcs or more $17.00
400pcs or more $16.00
500pcs or more $15.00
All of our compatible products are tested one by one by our Engineer department before shipment.
More compatible Siemens accessories we can offer:
| Model | Short Description |
| 6ES7 291-8GF23 | Plus memory card (capacity of 64K) |
| 6ES7 290-6AA20 | |
| 6ES7 307-1EA01-0AA0 | power supply,5A,24VDC output,120/230VAC input |
| 6ES7 307-1KA02-0AA0 |
SIMATIC S7-300 STABILIZED POWER SUPPLY PS307 INPUT: 120/230 V AC OUTPUT: DC 24 V DC/10 A |
| 6ES7 390-1AF30-0AA0 | S7-300 PLC rail,530 MM length. |
| 6ES7 390-1AJ30-0AA0 | S7-300 PLC rail,830 MM length. |
| 6ES7 390-1AB60-0AA0 | S7-300 PLC rail,160 MM length. |
| 6ES7 390-1AE80-0AA0 | S7-300 PLC rail,482 MM length. |
| 6ES7 390-1BC00-0AA0 | S7-300 PLC rail,2000 MM length. |
| 6ES7195-1GA00-0XA0 | hot plug rail,483mm |
| 6ES7195-1GF30-0XA0 | hot plug rail,530mm |
| 6ES7195-1GG30-0XA0 | hot plug rail,620mm |
| 6ES7195-1GC00-0XA0 | hot plug rail,2000mm |
| 6XV1-830-0EH10 | Profibus cable |
| 6XV1840-2AH10 | profibus cable |
| 6XV1830-3EH10 | profibus cable |
More details of S7-300 & S7-400 front connector:
20-PIN 6ES7 392-1AJ00-0AA0
40-PIN 6ES7 392-1AM00-0AA0
48-PIN 6ES7 492-1AL00-0AA0
More pictures of Siemens accessories:
Please feel free to contact me for any question!
Contact person: Miss Nancy
E-mail: nancy@kollewin.com
Tel: +86-0755-26898905-8006
Website: www.kollewin.com










































Recent Comments